Thép hình chữ H
Thép hình H (H-Beam) JIS G3101 – SS400/S355JO , ASTM A36/A572
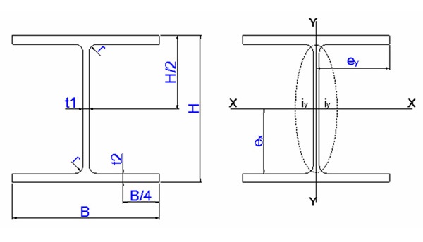
Thép hình chữ H gồm : Thép hình H100x100,H125x125,H150x150,
H175x175,H200x200,H250x250,H300x300,H350x350,H400x400…
| Tiêu chuẩn | GOST, JIS, Q, BS, KS, TCVN |
| Chiều cao thân (H) | 100 - 900 mm |
| Chiều rộng cánh (B) | 50 - 400 mm |
| Chiều dài (L) | 6000 - 18000 mm |
THÔNG TIN CHUNG CỦA THÉP HÌNH H :
QUY CÁCH THEO TIÊU CHUẨN NHẬT:
| Kích thước chuẩn (mm) | Diện tích mặt cắt ngang (cm2) | Đơn trọng (kg/m) | Momen quán tính (cm4) | Bán kính quán tính (cm) | Modun kháng uốn mặt cắt (cm3) | ||||||
| HxB | t1 | t2 | r | A | W | Ix | Iy | ix | iy | Zx | Zy |
| H100x100 | 6 | 8 | 10 | 21.9 | 17.2 | 383 | 134 | 4.18 | 2.47 | 76.5 | 26.7 |
| H125x125 | 6.5 | 9 | 10 | 30.31 | 23.8 | 847 | 293 | 5.29 | 3.11 | 136 | 47 |
| H150x75 | 5 | 7 | 8 | 17.85 | 14.0 | 666 | 49.5 | 6.11 | 1.66 | 88.8 | 13.2 |
| H148x100 | 6 | 9 | 11 | 26.84 | 21.1 | 1,020 | 151 | 6.17 | 2.37 | 138 | 30.1 |
| H150x150 | 7 | 10 | 11 | 40.14 | 31.5 | 1,640 | 563 | 6.39 | 3.75 | 219 | 75.1 |
| H175x175 | 8 | 11 | 12 | 51.2 | 40.4 | 2,880 | 984 | 7.5 | 4.4 | 330 | 112 |
| H198x99 | 4.5 | 7 | 11 | 23.18 | 18.2 | 1,580 | 114 | 8.26 | 2.21 | 160 | 23 |
| H200x100 | 5.5 | 8 | 11 | 27.16 | 21.3 | 1,840 | 134 | 8.24 | 2.22 | 184 | 26.8 |
| H194x150 | 6 | 9 | 13 | 39.01 | 30.6 | 2,690 | 507 | 8.3 | 3.61 | 277 | 67.6 |
| H200x200 | 8 | 12 | 13 | 63.53 | 49.9 | 4,720 | 1,600 | 8.62 | 5.02 | 472 | 160 |
| H200x204 | 12 | 12 | 13 | 71.5 | 56.2 | 4,980 | 1,700 | 8.35 | 4.88 | 498 | 167 |
| H208x202 | 10 | 16 | 13 | 83.69 | 65.7 | 6,530 | 2,200 | 8.83 | 5.13 | 628 | 218 |
| H248x124 | 5 | 8 | 12 | 32.68 | 25.7 | 3,540 | 255 | 10.4 | 2.79 | 285 | 41.1 |
| H250x125 | 6 | 9 | 12 | 37.66 | 29.6 | 4,050 | 294 | 10.4 | 2.79 | 324 | 47 |
| H244x175 | 7 | 11 | 16 | 56.2 | 44.1 | 6,120 | 984 | 10.4 | 4.18 | 502 | 113 |
| H244x252 | 11 | 11 | 16 | 82.06 | 64.4 | 8,790 | 2,940 | 10.3 | 5.98 | 720 | 233 |
| H248X249 | 8 | 13 | 16 | 84.7 | 66.5 | 9,930 | 3,350 | 10.8 | 6.29 | 801 | 269 |
| H250x250 | 9 | 14 | 16 | 92.18 | 72.4 | 10,800 | 3,650 | 10.8 | 6.29 | 867 | 292 |
| H250x255 | 14 | 14 | 16 | 104.7 | 82.2 | 11,500 | 3,880 | 10.5 | 6.09 | 919 | 304 |
| H298x149 | 6 | 8 | 13 | 40.8 | 32.0 | 6,320 | 442 | 12.4 | 3.29 | 424 | 59.3 |
| H300x150 | 7 | 9 | 13 | 46.78 | 36.7 | 7,210 | 508 | 12.4 | 3.29 | 481 | 67.7 |
| H294X200 | 8 | 12 | 18 | 72.38 | 56.8 | 11,300 | 1,600 | 12.5 | 4.71 | 771 | 160 |
| H298X201 | 9 | 14 | 18 | 83.36 | 65.4 | 13,300 | 1,900 | 12.6 | 4.77 | 893 | 189 |
| H294X302 | 12 | 12 | 18 | 107.7 | 84.5 | 16,900 | 5,520 | 12.5 | 7.16 | 1,150 | 365 |
| H298X299 | 9 | 14 | 18 | 110.8 | 87.0 | 18,800 | 6,240 | 13.0 | 7.5 | 1,270 | 417 |
| H300x300 | 10 | 15 | 18 | 119.8 | 94.0 | 20,400 | 6,750 | 13.1 | 7.51 | 1,360 | 450 |
| H300x305 | 15 | 15 | 18 | 134.8 | 106.0 | 21,500 | 7,100 | 12.6 | 7.26 | 1,440 | 466 |
| H304X301 | 11 | 17 | 18 | 134.8 | 106.0 | 23,400 | 7,730 | 13.2 | 7.57 | 1,540 | 514 |
| H310x305 | 15 | 20 | 18 | 165.3 | 130.0 | 28,150 | 9,460 | 13.2 | 7.6 | 1,810 | 620 |
| H310x310 | 20 | 20 | 18 | 180.8 | 142.0 | 29,390 | 9,940 | 12.8 | 7.5 | 1,890 | 642 |
| H346x174 | 6 | 9 | 14 | 52.68 | 41.4 | 11,100 | 792 | 14.5 | 3.88 | 641 | 91 |
| H350x175 | 7 | 11 | 14 | 63.14 | 49.6 | 13,600 | 984 | 14.7 | 3.95 | 775 | 112 |
| H354x176 | 8 | 13 | 14 | 73.68 | 57.8 | 16,100 | 1,180 | 14.8 | 4.01 | 909 | 134 |
| H336x249 | 8 | 12 | 20 | 88.15 | 69.2 | 18,500 | 3,090 | 14.5 | 5.92 | 1,100 | 248 |
| H340x250 | 9 | 14 | 20 | 101.5 | 79.7 | 21,700 | 3,650 | 14.6 | 6.0 | 1,280 | 292 |
| H338x351 | 13 | 13 | 20 | 135.3 | 106.0 | 28,200 | 9,380 | 14.4 | 8.33 | 1,670 | 534 |
| H344x348 | 10 | 16 | 20 | 146.0 | 115.0 | 33,300 | 11,200 | 15.1 | 8.78 | 1,940 | 646 |
| H344x354 | 16 | 16 | 20 | 166.6 | 131.0 | 35,300 | 11,800 | 14.6 | 8.43 | 2,050 | 669 |
| H350x350 | 12 | 19 | 20 | 173.9 | 137.0 | 40,300 | 13,600 | 15.2 | 8.84 | 2,300 | 776 |
| H350x357 | 19 | 19 | 20 | 191.4 | 156.0 | 42,800 | 14,400 | 14.7 | 8.53 | 2,450 | 809 |
| H396x199 | 7 | 11 | 16 | 72.16 | 56.6 | 20,000 | 1,450 | 16.7 | 4.48 | 1,010 | 145 |
| H400x200 | 8 | 13 | 16 | 84.12 | 66.0 | 23,700 | 1,740 | 16.8 | 4.54 | 1,190 | 174 |
| H404x201 | 9 | 15 | 16 | 96.16 | 75.5 | 27,500 | 2,030 | 16.9 | 4.6 | 1,360 | 202 |
| H386x299 | 9 | 14 | 22 | 120.1 | 94.3 | 33,700 | 6,240 | 16.7 | 7.81 | 1,740 | 418 |
| H390x300 | 10 | 16 | 22 | 136.0 | 107.0 | 38,700 | 7,210 | 16.9 | 7.28 | 1,980 | 481 |
| H388x402 | 15 | 15 | 22 | 178.5 | 140.0 | 49,000 | 16,300 | 16.6 | 9.54 | 2,520 | 809 |
| H394x398 | 11 | 18 | 22 | 186.8 | 147.0 | 56,100 | 18,900 | 17.3 | 10.1 | 2,850 | 951 |
| H394x405 | 18 | 18 | 22 | 214.4 | 168.0 | 59,700 | 20,000 | 16.7 | 9.7 | 3,030 | 985 |
| H400x400 | 13 | 21 | 22 | 218.7 | 172.0 | 66,600 | 22,400 | 17.5 | 10.1 | 3,330 | 1,120 |
| H400x408 | 21 | 21 | 22 | 250.7 | 197.0 | 70,900 | 23,800 | 16.8 | 9.75 | 3,540 | 1,170 |
| H406x403 | 16 | 24 | 22 | 254.9 | 200.0 | 78,000 | 26,200 | 17.5 | 10.1 | 3,840 | 1,300 |
| H414x405 | 18 | 28 | 22 | 295.4 | 232.0 | 92,800 | 31,000 | 17.7 | 10.2 | 4,480 | 1,530 |
| H428x407 | 20 | 35 | 22 | 360.7 | 283.0 | 119,000 | 39,400 | 18.2 | 10.4 | 5,570 | 1,930 |
| H458x417 | 30 | 50 | 22 | 528.6 | 415.0 | 187,000 | 60,500 | 18.8 | 10.7 | 8,170 | 2,900 |
| H498x432 | 45 | 70 | 22 | 770.1 | 605.0 | 298,000 | 94,000 | 19.7 | 11.1 | 12,000 | 4,370 |
| H446x199 | 8 | 12 | 18 | 84.3 | 66.2 | 28,700 | 1,580 | 18.5 | 4.33 | 1,290 | 159 |
| H450x200 | 9 | 14 | 18 | 96.76 | 76.0 | 33,500 | 1,870 | 18.6 | 4.4 | 1,490 | 187 |
| H434x299 | 10 | 15 | 24 | 135.0 | 106.0 | 46,800 | 6,690 | 18.6 | 7.04 | 2,160 | 448 |
| H440x300 | 11 | 18 | 24 | 157.4 | 124.0 | 56,100 | 8,110 | 18.9 | 7.18 | 2,550 | 541 |
| H496x199 | 9 | 14 | 20 | 101.3 | 79.5 | 41,900 | 1,840 | 20.3 | 4.27 | 1,690 | 185 |
| H500x200 | 10 | 16 | 20 | 114.2 | 89.6 | 47,800 | 2,140 | 20.5 | 4.33 | 1,910 | 214 |
| H506x201 | 11 | 19 | 20 | 131.3 | 103.0 | 56,500 | 2,580 | 20.7 | 4.443 | 2,230 | 254 |
| H482x300 | 11 | 15 | 26 | 145.5 | 114.0 | 60,400 | 6,760 | 20.4 | 6.82 | 2,500 | 451 |
| H488x300 | 11 | 18 | 26 | 163.5 | 128.0 | 71,000 | 8,110 | 20.8 | 7.04 | 2,910 | 541 |
| H596x199 | 10 | 15 | 22 | 120.5 | 94.6 | 68,700 | 1,980 | 23.9 | 4.05 | 2,310 | 199 |
| H600x200 | 11 | 17 | 22 | 134.4 | 106.0 | 77,600 | 2,280 | 24.0 | 4.12 | 2,590 | 228 |
| H606x201 | 12 | 20 | 22 | 152.5 | 120.0 | 90,400 | 2,720 | 24.3 | 4.22 | 2,980 | 271 |
| H612x202 | 13 | 23 | 22 | 170.7 | 134.0 | 103,000 | 3,180 | 24.6 | 4.31 | 3,380 | 314 |
| H582x300 | 12 | 17 | 28 | 174.5 | 137.0 | 103,000 | 7,670 | 24.3 | 6.63 | 3,530 | 511 |
| H588x300 | 12 | 20 | 28 | 192.5 | 151.0 | 118,000 | 9,020 | 24.8 | 6.85 | 4,020 | 601 |
| H594x302 | 14 | 23 | 28 | 222.4 | 175.0 | 137,000 | 10,600 | 24.9 | 6.9 | 4,620 | 701 |
| H692x300 | 13 | 20 | 28 | 211.5 | 166.0 | 172,000 | 9,020 | 28.6 | 6.53 | 4,980 | 602 |
| H700x300 | 13 | 24 | 28 | 235.5 | 185.0 | 201,000 | 10,800 | 29.3 | 6.78 | 5,760 | 722 |
| H708x302 | 15 | 28 | 28 | 273.6 | 215.0 | 237,000 | 12,900 | 29.4 | 6.86 | 6,700 | 853 |
| H792x300 | 14 | 22 | 28 | 243.4 | 191.0 | 254,000 | 9,930 | 32.3 | 6.39 | 6,410 | 662 |
| H800x300 | 14 | 26 | 28 | 267.4 | 210.0 | 292,000 | 11,700 | 33.0 | 6.62 | 7,290 | 782 |
| H808x302 | 16 | 30 | 28 | 307.6 | 241.0 | 339,000 | 13,800 | 33.2 | 6.7 | 8,400 | 915 |
| H890x299 | 15 | 23 | 28 | 270.9 | 213.0 | 345,000 | 10,300 | 35.7 | 6.16 | 7,760 | 688 |
| H900x300 | 16 | 28 | 28 | 309.8 | 243.0 | 411,000 | 12,600 | 36.4 | 6.39 | 9,140 | 843 |
| H912x302 | 18 | 34 | 28 | 364.0 | 286.0 | 498,000 | 15,700 | 37.0 | 6.56 | 10,900 | 1,040 |
| H918x303 | 19 | 37 | 28 | 391.3 | 307.0 | 542,178 | 17,222 | 37.2 | 6.63 | 11,800 | 1,140 |
1. Cơ tính của thép kết cấu Cacbon thông dụng: | |||||||
| Mác thép | Giới hạn chảy δc (MPa) ≥ (1) (2) | Độ bền kéo δb (MPa) | Độ giãn dài ≥ | Uốn cong 108o r bán kính mặt trong a độ dài hoặc đường kính | |||
| Chiều dày hoặc đường kính (mm) | Chiều dày hoặc đường kính (mm) | δ (%) | |||||
| ≤ 16 | > 16 | > 40 | |||||
| SS330 | 205 | 195 | 175 | 330 ~430 | Tấm dẹt ≤ 5 > 5 ~ 16 16 ~ 50 > 40 | 26 21 26 28 | r = 0.5a |
| 205 | 195 | 175 | 330 ~430 | Thanh, góc ≤ 25 | 25 30 | r = 0.5a | |
| SS400 | 245 | 235 | 215 | 400 ~510 | Tấm dẹt ≤ 5 > 5 ~ 16 16 ~ 50 > 40 | 21 17 21 23 | r = 1.5a |
| Thanh, góc ≤ 25 > 25 | 20 24 | r = 1.5a | |||||
| SS490 | 280 | 275 | 255 | 490 ~605 | Tấm dẹt ≤ 5 > 5 ~ 16 16 ~ 50 > 40 | 19 15 19 21 | r = 2.0a |
| Thanh, góc ≤ 25 > 25 | 18 21 | r = 2.0a | |||||
| SS540 | 400 | 390 | - | 540 | Tấm dẹt ≤ 5 > 5 ~ 16 16 ~ 50 > 40 | 16 13 17 | r = 2.0a |
| 400 | 390 | - | 540 | Thanh, góc ≤ 25 > 25 | 13 17 | r = 2.0a | |
| (1) Chiều dày hoặc đường kính > 100mm, giới hạn chảy hoặc độ bền chảy SS330 là 165 MPa, SS400 là 245 MPa. (2) Thép độ dày > 90mm, mỗii tăng chiều dày 25mm, độ giãn dài giảm 1% nhưng giảm nhiều nhất chỉ đến 3%. | |||||||
2. Cơ tính thép kết cấu hàn: | |||||||||||
| Mác thép | Giới hạn chảy (MPa) ≥ | Độ bền kéo | Độ giãn dài ≥ | Akv (0oC)/J | |||||||
| Chiều dày (mm) | Chiều dày (mm) | Chiều dày (mm) | δ (%) | ||||||||
| <16 | 16 ~ 40 | 40 ~ 75 | 75 ~ 100 | 100 ~ 160 | 160 ~ 200 | <100 | 100 ~ 200 | ||||
| SM400A SM400B SM400C | 245 | 235 | 215 | 215 | 205 | 195 | 400 ~ 510 | 400 ~ 510 | < 5 5 ~ 16 16 ~ 50 > 40 | 23 18 22 24 | - ≥ 27 |
| - | - | ≥ 47 | |||||||||
| SM 490A SM 490B SM 490C | 325 | 315 | 295 | 295 | 228 | 275 | 490 ~ 610 | 490 ~ 610 | <5 5 ~ 16 16 ~ 50 > 40 | 22 17 21 23 | ≥ 27 |
| - | - | ≥ 47 | |||||||||
| SM490YA SM490YB | 365 | 355 | 335 | 325 | - | - | 490 ~ 610 | - | < 5 5 ~ 16 16 ~ 50 > 40 | 19 15 19 21 | - |
| ≥ 27 | |||||||||||
| SM520B SM520C | 365 | 355 | 335 | 325 | - | - | 520 - 640 | - | < 5 5 ~ 16 16 ~ 50 > 40 | 19 15 19 21 | ≥ 27 |
| ≥ 47 | |||||||||||
| SM 570 | 460 | 450 | 430 | 420 | - | - | 570 - 720 | - | < 16 > 16 > 20 | 19 26 20 | ≥ 47 (-50C) |
TÍNH CHẤT HÓA HỌC CỦA THÉP HÌNH:
Mác thép | Mác cũ | C (%) | Si (%) | Mn (%) | P (%) ≤ | S (%) ≤ | Điều kiện kèm theo |
| Thép cacbon thông thường [JIS G3101 (1981)] |
|
|
|
|
Kết cấu thép độ dày (mm)
≤ 50 >50 ~ 200 | ||
SS330 | S34 | - | - | - | 0.050 | 0.050 | |
SS400 | S41 | - | - | - | 0.050 | 0.050 | |
SS490 | SS50 | - | - | - | 0.050 | 0.050 | |
SS540 | SS55 | ≤ 0.30 | - | 1.60 | 0.040 | 0.040 | |
| Thép kết cấu hàn [JIS G3106 (1992)] |
|
|
|
| |||
SM400A | SM41A | ≤ 0.23 ≤ 0.25 | - - | ≥ 2.5 X C ≥ 2.5 X C | 0.035 0.035 | 0.035 0.035 | |
SM400B | SM 41B | ≤ 0.20
≤ 0.22 | ≤ 0.35
≤ 0.35 | 0.60 ~ 1.00 0.60 ~ 1.00 | 0.035
0.035 | 0.035
0.035 | ≤ 50
>50 ~ 200 |
SM400C | SMC | ≤ 0.18 | ≤ 0.35 | ≤ 1.4 | 0.035 | 0.035 | ≤ 100 |
SM490A | SM50A | ≤ 0.20 | ≤ 0.55 | ≤ 1.60 | 0.035 | 0.035 | ≤ 50 |
≤ 0.22 | ≤ 0.55 | ≤ 1.60 | 0.035 | 0.035 | > 50 ~ 200 | ||
SM490B | SM50B | ≤ 0.18 | ≤ 0.55 | ≤ 1.60 | 0.035 | 0.035 | ≤ 50 |
|
| ≤ 0.22 | ≤ 0.55 | ≤ 1.60 | 0.035 | 0.035 | > 50 ~ 200 |
SM490C | SM50C | ≤ 0.18 | ≤ 0.55 | ≤ 1.60 | 0.035 | 0.035 | ≤ 100 |
SM490YA | SM50YA | ≤ 0.20 | ≤ 0.55 | ≤ 1.60 | 0.035 | 0.035 | ≤ 100 |
SM490YB | SM50YB | ≤ 0.20 | ≤ 0.55 | ≤ 1.60 | 0.035 | 0.035 | ≤ 100 |
SM520B | SM53B | ≤ 0.20 | ≤ 0.55 | ≤ 1.60 | 0.035 | 0.035 | ≤ 100 |
SM520C | SM53C | ≤ 0.20 | ≤ 0.55 | ≤ 1.60 | 0.035 | 0.035 | ≤ 100 |
SM570(1) | SM58 | ≤ 0.18 | ≤ 0.55 | ≤ 1.60 | 0.035 | 0.035 | ≤ 100 |
(1) Hàm lượng cacbon (Ce) của mác thép SM570, chiều dày ≤ 50mm là ≤ 0.44%, từ 50 - 100mm ≤ 0.47% | |||||||

